Klik hier om de afbeelding te vergroten (in een nieuw tabblad)
Download het Autocad bestand
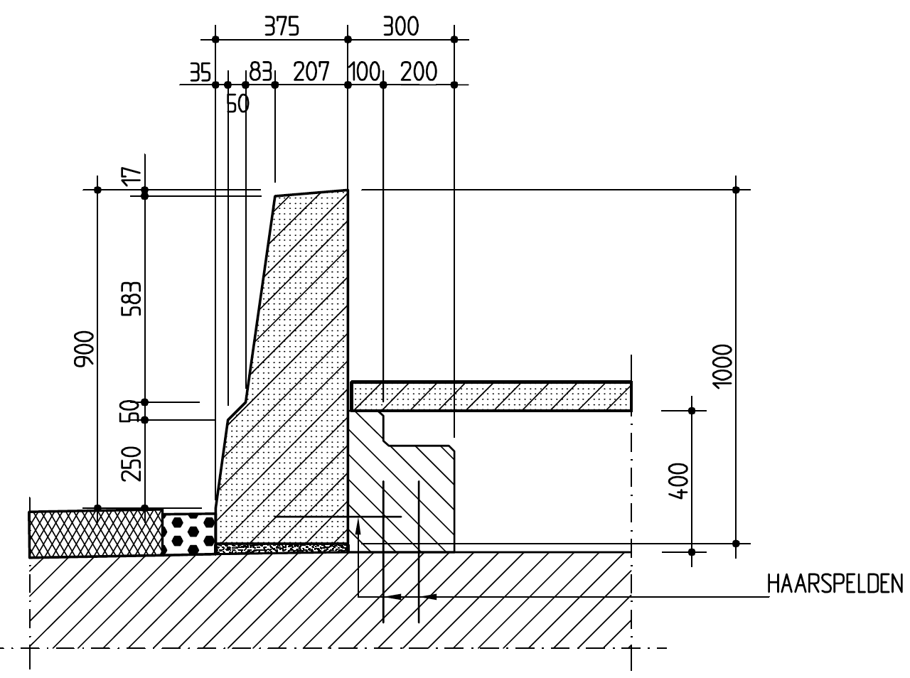
Figuur 452.3 – Doorsnede stepbarrier bij toepassing vrijstaande stepbarrier