Functie
Geleiden van het verkeer, de profielen worden zodanig vormgegeven dat bij een aanrijding van het profiel de gevolgen voor voertuigen en de inzittenden daarvan relatief beperkt blijven. Daarnaast is de functie van de stepbarrier het beschermen van de wanden bij ongelukken.
Toepassingen
In verkeerstunnels, onderdoorgangen en aquaducten.
Detailontwerp
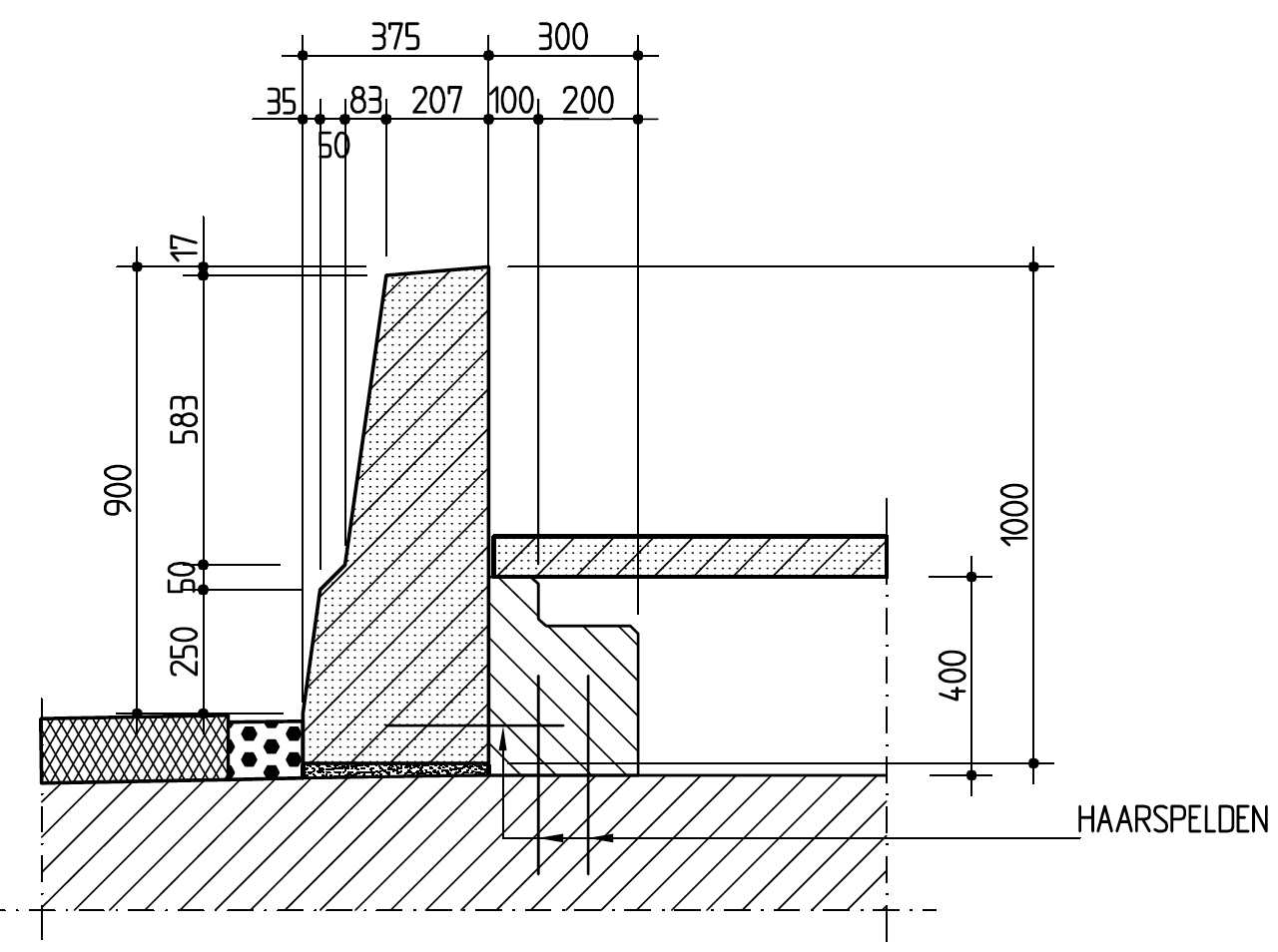
De functionele opbouw van de geleidebarrier (Stepbarrier) is als volgt:
De hellingshoek van de Stepbarrier is gesteld op 9 gon (= 8,2°). De staphoogte bedraagt 250 mm. Bij een aanrijding onder een flauwe hoek (tot 20°) zal het voertuig (als bij een trottoirband) worden teruggeleid. Het schuin lopende gedeelte heeft een hoogte van 50 mm. Bij een aanrijhoek groter dan 20° kan het voertuig op dit vlak komen en wordt dan teruggeleid (dit gaat des te beter naarmate het oppervlak gladder is). Bij een grotere hellingshoek van het schuine gedeelte (zoals bij een NJ-barrier) is de kans op een “roll-over” groter.
Indien een barrier tegen een wand geplaatst wordt is het bovenste deel van de barrier 500 mm. Staat de barrier vrij (b.v. bij de as van de weg en t.p.v. een aardenbaan) dan is deze maat 600 mm.
Het bovenste gedeelte van de barrier is standaard 600 mm. De motivatie voor de lagere hoogte dan de standaardhoogte, is dat in een tunnel de barrier er niet voor hoeft te zorgen dat voertuigen niet over de barrier geraken. De overgang van een standaard profiel naar een laag profiel vindt plaats aan het begin van het gesloten deel. Het afwaterend bovenvlak bedraagt 10 mm. Daarnaast kan bij een lagere barrier de hulppostkast type A lager geplaatst worden.
Dit gedeelte dient ter bescherming van de tunnelwand, de helling dient om schade aan voertuigen te beperken.
De geleidebarrier werd voorheen hoofdzakelijk uitgevoerd in gewapend prefab beton en in lengten van max. 6000 mm i.v.m. de hanteerbaarheid.
De geleidebarrier wordt gesteld op de vloer en tegen de wand d.m.v. stelbouten en vervolgens ondersabelt met chloridevrije krimparme cementgebonden gietmortel laagdikte min. 20 mm.
De ruimte tussen de geleidebarrier en de wand achtervullen met een mengsel van zand/cement specie dik min. 25 mm.
Bij toepassing van ZOAB als wegverharding is de geleidebarrier hoger dan bij DAB. De maat van bovenkant barrier tot bovenkant verharding is wel onafhankelijk van het type verharding.
De tendens is, zeker bij lange tunnels, om de barriers niet als prefab uit te voeren, maar te realiseren middels een slip-form paver. In het rapport “Stepbarrier, een stap nader” [124] wordt nader ingegaan op de voor- en nadelen.
Afmetingen en belastingen
De standaard afmetingen van de barrier zijn:
- hoogte boven het wegdek 900 mm;
- bovenbreedte 200 mm;
- basisbreedte 542 mm;
- staphoogte 250 mm;
- stapbreedte 50 mm.
- aanrijdingsvlak met standaardhelling 9 gon.
Het kerend vermogen van de barrier is loodrecht op de barrier dient te voldoen aan de belastingen uit de ROK [27]. De werking van de barrier mag hierdoor niet worden aangetast.
De keuze voor de hellingshoek van 9 gon is afhankelijk van de negatieve of positieve verkanting (2,5%) van autosnelwegen. Om redenen van eenvoud en esthetica is de hellingshoek van 9 gon vastgesteld.
De hoogte van de barriers is 900 mm. De keuze voor 900 mm is gebaseerd op:
- koplampen van tegenliggers afschermen door barrier (verblinding);
- beperkte hoogte waardoor bestuurders over de barrier heen kunnen kijken en het zicht behouden.
De keuze van 200 mm voor de bovenbreedte is:
- het kunnen storten van een betonnen barrier in samenhang met de aanwezige wapening;
- het evt. kunnen aanbrengen van specifieke voorzieningen (leuning).
In een tunnel is de toepassing van een “half profiel” mogelijk. Wel dient de geometrie van het aanrijdingsvlak hierdoor niet te worden gewijzigd.
Motivering
De standaardhoogte van de barrier is 900 mm. Alleen indien er niet voldoende (bijvoorbeeld bij hulpposten) ruimte is mag van de standaardhoogte worden afgeweken. Indien de barrier tegen de wand geplaatst wordt, is een totale hoogte van 800 mm acceptabel.
Om de breedte en daarmee de bouwkosten te beperken wordt in verkeerstunnels en eventueel in onderdoorgangen en aquaducten gekozen voor een geleidebarrier i.p.v. een geleiderail. Daarnaast is de toegankelijkheid van vluchtdeuren en bereikbaarheid van hulpposten beter bij een barrier dan bij een stalen geleiderail.
Onderbouwing van de Stepbarrier is terug te vinden in:
- Richtlijnen nota Stepbarrier, een stap nader!
- Handboek bermbeveiligingsvoorzieningen.
Aspecten ten aanzien van de RAMS-score
|
Variant |
Stepbarrier |
|
|
R |
Reliability |
Goed, geen bijzonderheden. |
|
A |
Availability |
Goed, geen bijzonderheden. |
|
M |
Maintainability |
Goed, geen bijzonderheden. |
|
S |
Safety |
Goed, geen bijzonderheden. |
|
Variant |
Geleiderail |
|
|
R |
Reliability |
Goed, geen bijzonderheden. |
|
A |
Availability |
Matig, levensduur beperkt i.v.m. omgevingsmilieu. |
|
M |
Maintainability |
Matig, voor onderhoud moeten rijstro(o)k(en) afgezet worden |
|
S |
Safety |
Goed, mits op voldoende afstand van de wand geplaatst. |
Conservering
Toevoegingen toepassen aan de betonmortel t.b.v. het verhogen van de vorst- en dooizoutbestendigheid (zie BetonTech BT99.007).
Slipformpaver
Indien de stepbarrier gemaakt wordt met de slipformpaver zijn met betrekking daartoe de eisen opgenomen in hoofdstuk 6.3 van het document “Stepbarrier, een stap nader”.
Kennisbank


